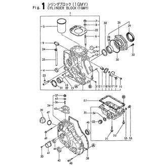
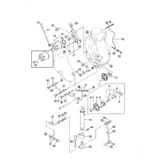
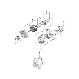
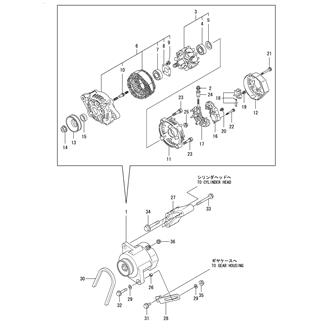
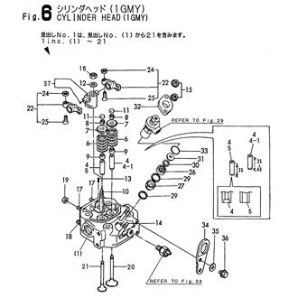
1GMY-EC Large Grid View Table View FIG 1. CYLINDER BLOCK(1GMY) 0CF10-M26702_0001_01 Information FIG 10. BONNET & BREATHER(1GMY) 0CF10-M26702_0010_01 Information FIG 13. SUC./EXH. MANIFOLD 0CF10-M26702_0013_01 Information FIG 15. CAMSHAFT & CRANKSHAFT 0CF10-M26702_0015_01 Information FIG 16. PISTON & CONNECTING ROD 0CF10-M26702_0016_01 Information FIG 17. LUB. OIL SYSTEM(1GMY) 0CF10-M26702_0017_01 Information FIG 19. BILGE PUMP(OPTIONAL,PREVIOUS) 0CF10-M26702_0019_01 Information FIG 20. BILGE PUMP(STD,OPTIONAL,PREVIOUS) 0CF10-M26702_0020_01 Information FIG 21. BILGE PUMP(STD,OPTIONAL) 0CF10-M26702_0021_01 Information FIG 22. BILGE PUMP(DX,OPTIONAL,PREVIOUS) 0CF10-M26702_0022_01 Information FIG 23. BILGE PUMP(DX,OPTIONAL) 0CF10-M26702_0023_01 Information FIG 24. COOLING PUMP(SEA WATER)(1GMY) 0CF10-M26702_0024_01 Information FIG 29. FUEL INJECTION PUMP 0CF10-M26702_0029_01 Information FIG 30. FUEL STRAINER 0CF10-M26702_0030_01 Information FIG 31. FUEL PIPE(1GMY) 0CF10-M26702_0031_01 Information FIG 34. GOVERNOR & CONTROLLER(1GMY) 0CF10-M26702_0034_01 Information FIG 37. HAND START 0CF10-M26702_0037_01 Information FIG 39. STARTING MOTOR 0CF10-M26702_0039_01 Information FIG 4. FLYWHEEL HOUSING & MOUNTING FOOT 0CF10-M26702_0004_01 Information FIG 41. GENERATOR 0CF10-M26702_0041_01 Information FIG 43. WIRE HARNESS & SENSOR 0CF10-M26702_0043_01 Information FIG 44. INSTRUMENT PANEL(A-TYPE)(1GMY) 0CF10-M26702_0044_01 Information FIG 45. INSTRUMENT PANEL(B-TYPE/1GMY)(OPTIONAL) 0CF10-M26702_0045_01 Information FIG 47. CLUTCH 0CF10-M26702_0047_01 Information FIG 48. TOOL 0CF10-M26702_0048_01 Information FIG 49. GASKET(1/2GMY(F)Y,OPTIONAL) 0CF10-M26702_0049_01 Information FIG 5. LABEL 0CF10-M26702_0005_01 Information FIG 51. SAFETY LABEL 0CF10-M26702_0051_01 Information FIG 6. CYLINDER HEAD(1GMY) 0CF10-M26702_0006_01 Information FIG 61. (42B)GENERATOR(1GMY)(DENSO:FROM TO 2012.7) 0CF10-M26702_0061_01 Information FIG 64. GENERATOR(INNER PARTS)(DENSO/40A) 0CF10-M26702_0064_01 Information