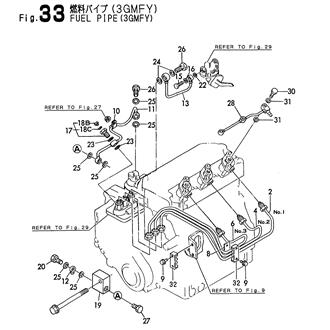
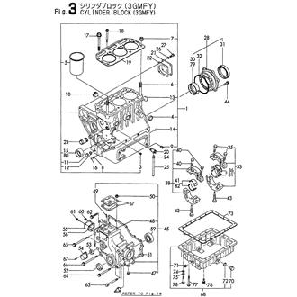
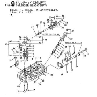
3GMFY-E Large Grid View Table View FIG 12. BONNET & BREATHER(3GMFY) 0CF10-M26702_0012_04 Information FIG 13. SUC./EXH. MANIFOLD 0CF10-M26702_0013_04 Information FIG 14. MIXING ELBOW(OPTIONAL) 0CF10-M26702_0014_04 Information FIG 15. CAMSHAFT & CRANKSHAFT 0CF10-M26702_0015_04 Information FIG 16. PISTON & CONNECTING ROD 0CF10-M26702_0016_04 Information FIG 18. LUB. OIL SYSTEM(2/3GM(F)Y) 0CF10-M26702_0018_04 Information FIG 19. BILGE PUMP(OPTIONAL,PREVIOUS) 0CF10-M26702_0019_04 Information FIG 20. BILGE PUMP(STD,OPTIONAL,PREVIOUS) 0CF10-M26702_0020_04 Information FIG 21. BILGE PUMP(STD,OPTIONAL) 0CF10-M26702_0021_04 Information FIG 22. BILGE PUMP(DX,OPTIONAL,PREVIOUS) 0CF10-M26702_0022_04 Information FIG 23. BILGE PUMP(DX,OPTIONAL) 0CF10-M26702_0023_04 Information FIG 25. COOLING SEA WATER PUMP(2/3GMFY) 0CF10-M26702_0025_04 Information FIG 27. COOLING FRESH WATER PUMP(2/3GMFY) 0CF10-M26702_0027_04 Information FIG 28. COOLING SEA WATER STRAINER(OPTIONAL) 0CF10-M26702_0028_04 Information FIG 29. FUEL INJECTION PUMP 0CF10-M26702_0029_04 Information FIG 3. CYLINDER BLOCK(3GMFY) 0CF10-M26702_0003_04 Information FIG 30. FUEL STRAINER 0CF10-M26702_0030_04 Information FIG 33. FUEL PIPE(3GMFY) 0CF10-M26702_0033_04 Information FIG 35. GOVERNOR & CONTROLLER(2/3GM(F)Y) 0CF10-M26702_0035_04 Information FIG 36. ENGINE STOP DEVICE(OPTIONAL) 0CF10-M26702_0036_04 Information FIG 4. FLYWHEEL HOUSING & MOUNTING FOOT 0CF10-M26702_0004_04 Information FIG 40. STARTING MOTOR(3GMFY(E)-(H)(E) 0CF10-M26702_0040_04 Information FIG 41. GENERATOR 0CF10-M26702_0041_04 Information FIG 42. GENERATOR(2/3GM(F)Y,OPTIONAL) 0CF10-M26702_0042_04 Information FIG 43. WIRE HARNESS & SENSOR 0CF10-M26702_0043_04 Information FIG 45. INSTRUMENT PANEL(B-TYPE/1GMY)(OPTIONAL) 0CF10-M26702_0045_04 Information FIG 46. INSTRUMENT PANEL(B-TYPE,OPTIONAL) 0CF10-M26702_0046_04 Information FIG 47. CLUTCH 0CF10-M26702_0047_04 Information FIG 48. TOOL 0CF10-M26702_0048_04 Information FIG 5. LABEL 0CF10-M26702_0005_04 Information FIG 50. GASKET(3GMFY,OPTIONAL) 0CF10-M26702_0050_04 Information FIG 51. SAFETY LABEL 0CF10-M26702_0051_04 Information FIG 63. (44A)INSTRUMENT PANEL(A-TYPE) 0CF10-M26702_0063_04 Information FIG 9. CYLINDER HEAD(3GMFY) 0CF10-M26702_0009_04 Information