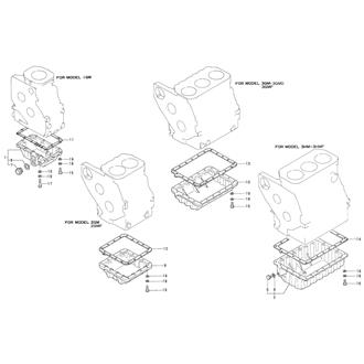
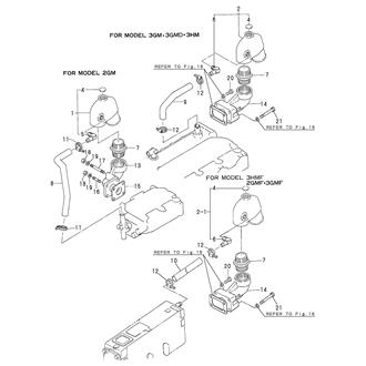
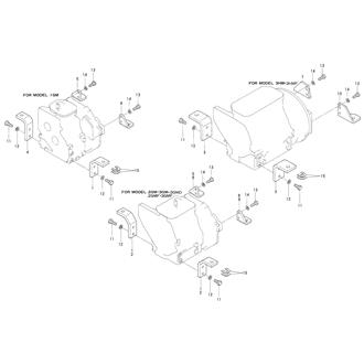
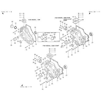
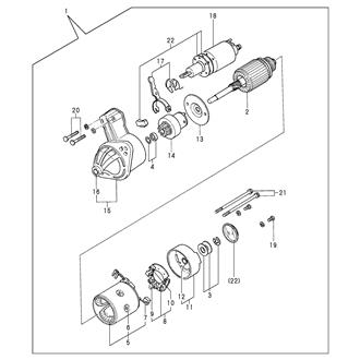
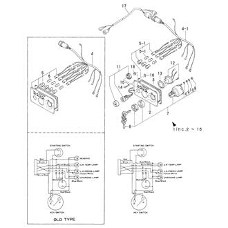
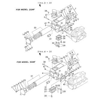
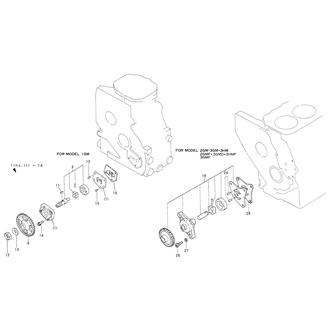
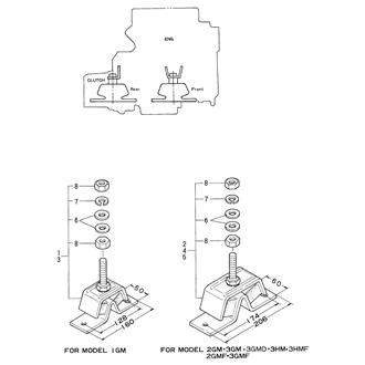
3GM(F) Large Grid View Table View FIG 10. MOUNTING FOOT 0CR10-M09002_0010_02 Information FIG 11. CYLINDER HEAD 0CR10-M09002_0011_02 Information FIG 12. BONNET 0CR10-M09002_0012_02 Information FIG 13. AIR INTAKE SILENCER 0CR10-M09002_0013_02 Information FIG 14. EXHAUST MANIFOLD 0CR10-M09002_0014_02 Information FIG 15. MIXING ELBOW 0CR10-M09002_0015_02 Information FIG 16. MIXING ELBOW(U-TYPE/OPTIONAL) 0CR10-M09002_0016_02 Information FIG 17. CAMSHAFT 0CR10-M09002_0017_02 Information FIG 18. CRANKSHAFT & FLYWHEEL 0CR10-M09002_0018_02 Information FIG 19. PISTON 0CR10-M09002_0019_02 Information FIG 2. CYLINDER BLOCK 0CR10-M09002_0002_02 Information FIG 20. CONNECTING ROD 0CR10-M09002_0020_02 Information FIG 21. LUB. OIL PUMP 0CR10-M09002_0021_02 Information FIG 22. LUB. OIL DIPSTICK 0CR10-M09002_0022_02 Information FIG 23. LUB. OIL STRAINER 0CR10-M09002_0023_02 Information FIG 24. LUB. OIL PRESSURE CONTROL VALVE 0CR10-M09002_0024_02 Information FIG 25. LUB. OIL PIPE 0CR10-M09002_0025_02 Information FIG 26. COOLING SEA WATER PUMP 0CR10-M09002_0026_02 Information FIG 27. COOLING FRESH WATER PUMP 0CR10-M09002_0027_02 Information FIG 28. COOLING FRESH WATER COOLER 0CR10-M09002_0028_02 Information FIG 3. GEAR HOUSING 0CR10-M09002_0003_02 Information FIG 30. SUB-TANK 0CR10-M09002_0030_02 Information FIG 31. COOLING WATER PIPE 0CR10-M09002_0031_02 Information FIG 32. COOLING WATER PIPE(2,3GMF,3HMF) 0CR10-M09002_0032_02 Information FIG 33. THERMOSTAT 0CR10-M09002_0033_02 Information FIG 34. FUEL INJECTION PUMP 0CR10-M09002_0034_02 Information FIG 35. FUEL FEED PUMP 0CR10-M09002_0035_02 Information FIG 36. FUEL INJECTION VALVE 0CR10-M09002_0036_02 Information FIG 37. FUEL STRAINER 0CR10-M09002_0037_02 Information FIG 38. FUEL PIPE 0CR10-M09002_0038_02 Information FIG 39. GOVERNOR DRIVING 0CR10-M09002_0039_02 Information FIG 4. FLYWHEEL HOUSING 0CR10-M09002_0004_02 Information FIG 40. REGULATOR LINKS 0CR10-M09002_0040_02 Information FIG 41. FUEL CONTROLLER 0CR10-M09002_0041_02 Information FIG 42. ENGINE STOP DEVIC 0CR10-M09002_0042_02 Information FIG 43. SPEED REMOTE CONTROL 0CR10-M09002_0043_02 Information FIG 44. STARTING MOTOR 0CR10-M09002_0044_02 Information FIG 45. STARTING MOTOR COMPONENT PART(12V/1.0KW) 0CR10-M09002_0045_02 Information FIG 47. GENERATOR(AC) 0CR10-M09002_0047_02 Information FIG 48. GENERATOR COMPONENT PART(121370-77200) 0CR10-M09002_0048_02 Information FIG 49. GENERATOR COMPONENT PART(128170-77200) 0CR10-M09002_0049_02 Information FIG 5. LUB. OIL SUMP 0CR10-M09002_0005_02 Information FIG 50. GENERATOR COMPONENT PART(128170-77201) 0CR10-M09002_0050_02 Information FIG 51. GENERATOR COMPONENT PART(128270-77200) 0CR10-M09002_0051_02 Information FIG 52. WIRE HARNESS 0CR10-M09002_0052_02 Information FIG 53. CLUTCH 0CR10-M09002_0053_02 Information FIG 54. CLUTCH REMOTE CONTROL 0CR10-M09002_0054_02 Information FIG 55. TOOL 0CR10-M09002_0055_02 Information FIG 56. FLEXIBLE MOUNTING(OPTIONAL) 0CR10-M09002_0056_02 Information FIG 57. LUB. OIL WASTE,BILGE PUMP & KINGSTON COCK(OPTIONAL) 0CR10-M09002_0057_02 Information FIG 58. FUEL OIL TANK & BATTERY SWITCH(OPTIONAL) 0CR10-M09002_0058_02 Information FIG 59. COUPLING(TAPER & SLIT TYPE/OPTIONAL) 0CR10-M09002_0059_02 Information FIG 60. SINGLE LEVER CONTROL(OPTIONAL) 0CR10-M09002_0060_02 Information FIG 61. INSTRUMENT PANEL(M1/M2-TYPE)(OPTIONAL) 0CR10-M09002_0061_02 Information FIG 62. INSTRUMENT PANEL(S-TYPE/OPTIONAL) 0CR10-M09002_0062_02 Information FIG 63. SPECIAL TOOL(OPTIONAL) 0CR10-M09002_0063_02 Information FIG 64. REPAIR KIT(OPTIONAL) 0CR10-M09002_0064_02 Information FIG 65. GASKET KIT(OPTIONAL) 0CR10-M09002_0065_02 Information FIG 7. MAIN METAL HOUSING 0CR10-M09002_0007_02 Information FIG 8. BREATHER 0CR10-M09002_0008_02 Information FIG 9. ENGINE LIFTER 0CR10-M09002_0009_02 Information