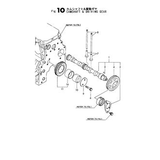
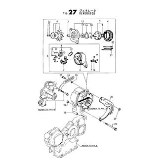
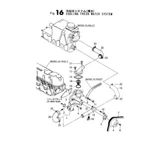
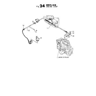
3JH2Z Large Grid View Table View FIG 1. CYLINDER BLOCK 0CF10-M52300_0001_01 Information FIG 10. CAMSHAFT & DRIVING GEAR 0CF10-M52300_0010_01 Information FIG 11. CRANKSHAFT & PISTON 0CF10-M52300_0011_01 Information FIG 12. LUB. OIL SYSTEM 0CF10-M52300_0012_01 Information FIG 13. LUB. OIL COOLER 0CF10-M52300_0013_01 Information FIG 14. LUB. OIL PIPE 0CF10-M52300_0014_01 Information FIG 15. COOLING WATER SYSTEM(SEA WATER) 0CF10-M52300_0015_01 Information FIG 16. COOLING FRESH WATER SYSTEM 0CF10-M52300_0016_01 Information FIG 17. COOLING FRESH WATER COOLER 0CF10-M52300_0017_01 Information FIG 18. FUEL INJECTION PUMP 0CF10-M52300_0018_01 Information FIG 19. FUEL FEED PUMP 0CF10-M52300_0019_01 Information FIG 2. GEAR HOUSING 0CF10-M52300_0002_01 Information FIG 20. FUEL INJECTION PIPE & FUEL INJECTION VALVE 0CF10-M52300_0020_01 Information FIG 21. TIMER 0CF10-M52300_0021_01 Information FIG 22. FUEL PIPE 0CF10-M52300_0022_01 Information FIG 23. GOVERNOR 0CF10-M52300_0023_01 Information FIG 24. ENGINE STOP 0CF10-M52300_0024_01 Information FIG 25. REMOTE CONTROL SUPPORT 0CF10-M52300_0025_01 Information FIG 26. STARTING MOTOR 0CF10-M52300_0026_01 Information FIG 27. GENERATOR 0CF10-M52300_0027_01 Information FIG 28. WIRE HARNESS & SENSOR 0CF10-M52300_0028_01 Information FIG 29. TOOL 0CF10-M52300_0029_01 Information FIG 3. FLYWHEEL HOUSING&LUB. OIL SUMP 0CF10-M52300_0003_01 Information FIG 31. SUCTION/WASTE OIL PUMP 0CF10-M52300_0031_01 Information FIG 32. OIL/WATER SEPARATOR 0CF10-M52300_0032_01 Information FIG 33. INSTRUMENT PANEL(A TYPE) 0CF10-M52300_0033_01 Information FIG 34. INSTRUMENT PANEL(B TYPE) 0CF10-M52300_0034_01 Information FIG 35. BILGE PUMP(STD)(OPTIONAL) 0CF10-M52300_0035_01 Information FIG 36. BILGE PUMP(DX)(OPTIONAL) 0CF10-M52300_0036_01 Information FIG 37. SEA WATER STRAINER(OPTIONAL) 0CF10-M52300_0037_01 Information FIG 39. GASKET SET(OPTIONAL) 0CF10-M52300_0039_01 Information FIG 4. LABEL 0CF10-M52300_0004_01 Information FIG 5. MOUNTING FOOT 0CF10-M52300_0005_01 Information FIG 6. CYLINDER HEAD 0CF10-M52300_0006_01 Information FIG 7. BONNET 0CF10-M52300_0007_01 Information FIG 8. SUCTION MANIFOLD 0CF10-M52300_0008_01 Information FIG 9. EXHAUST PIPE & MIXING ELBOW 0CF10-M52300_0009_01 Information