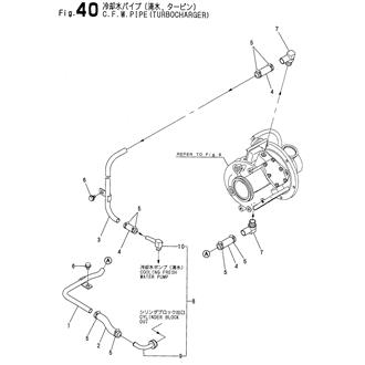
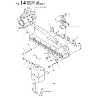
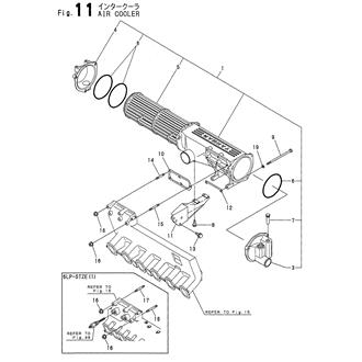
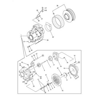
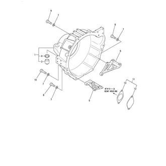
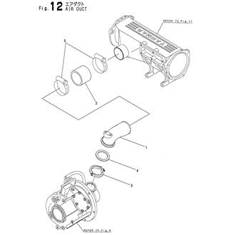
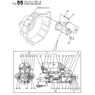
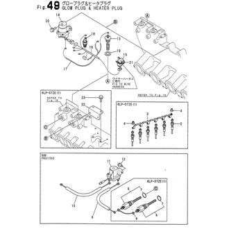
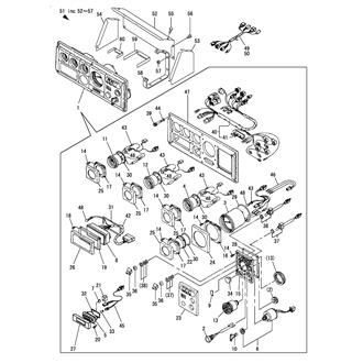
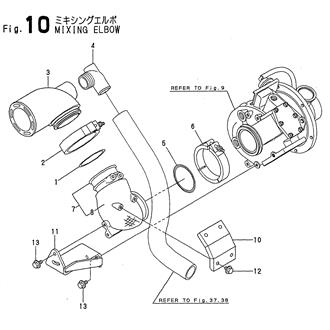
6LP-DTZE1 Large Grid View Table View FIG 1. CYLINDER BLOCK 0CR10-M47201_0001_02 Information FIG 10. MIXING ELBOW 0CR10-M47201_0010_02 Information FIG 11. AIR COOLER 0CR10-M47201_0011_02 Information FIG 12. AIR DUCT 0CR10-M47201_0012_02 Information FIG 13. BOOST CONTROL 0CR10-M47201_0013_02 Information FIG 14. EXHAUST MANIFOLD 0CR10-M47201_0014_02 Information FIG 15. SUCTION MANIFOLD 0CR10-M47201_0015_02 Information FIG 16. CYLINDER HEAD(6LP-DTZE,DTZE1) 0CR10-M47201_0016_02 Information FIG 18. ENGINE LIFTER 0CR10-M47201_0018_02 Information FIG 19. CAMSHAFT(6LP-DTZE,DTZE1) 0CR10-M47201_0019_02 Information FIG 2. GEAR HOUSING(6LP-DTZE,DTZE1) 0CR10-M47201_0002_02 Information FIG 21. CRANKSHAFT 0CR10-M47201_0021_02 Information FIG 22. DAMPER 0CR10-M47201_0022_02 Information FIG 23. PISTON & CONNECTING ROD 0CR10-M47201_0023_02 Information FIG 24. LUB. OIL COOLER 0CR10-M47201_0024_02 Information FIG 26. LUB. OIL COOLER COVER(6LP-DTZE,6LP-DTZE1) 0CR10-M47201_0026_02 Information FIG 29. LUB. OIL PIPE(TURBOC HARGER) 0CR10-M47201_0029_02 Information FIG 30. LUB.OIL WASTE PUMP(OPTIONAL) 0CR10-M47201_0030_02 Information FIG 31. BILGE PUMP(STD,OPTIONAL) 0CR10-M47201_0031_02 Information FIG 32. BILGE PUMP(DX,OPTIONAL) 0CR10-M47201_0032_02 Information FIG 33. COOLING SEA WATER PUMP 0CR10-M47201_0033_02 Information FIG 34. COOLING FRESH WATER PUMP 0CR10-M47201_0034_02 Information FIG 35. THERMOSTAT 0CR10-M47201_0035_02 Information FIG 36. COOLER(FRESH WATER) 0CR10-M47201_0036_02 Information FIG 37. COOLING SEA WATER PIPE(6LP-DTZE,DTZE1) 0CR10-M47201_0037_02 Information FIG 39. COOLING FRESH WATER PIPE 0CR10-M47201_0039_02 Information FIG 4. FLYWHEEL HOUSING 0CR10-M47201_0004_02 Information FIG 40. COOLING FRESH WATER PIPE(TURBINE) 0CR10-M47201_0040_02 Information FIG 41. FUEL INJECTION PUMP 0CR10-M47201_0041_02 Information FIG 42. FUEL INJECTION VALVE(6LP-DTZE,DTZE1) 0CR10-M47201_0042_02 Information FIG 44. FUEL INJECTION PIPE(6LP-DTZE,DTZE1) 0CR10-M47201_0044_02 Information FIG 46. FUEL PIPE 0CR10-M47201_0046_02 Information FIG 47. FUEL STRAINER 0CR10-M47201_0047_02 Information FIG 48. FUEL COOLER 0CR10-M47201_0048_02 Information FIG 49. GLOW PLUG & HEATER PLUG 0CR10-M47201_0049_02 Information FIG 5. ENGINE BRACKET 0CR10-M47201_0005_02 Information FIG 50. CABLE BRACKET 0CR10-M47201_0050_02 Information FIG 54. DRIVE COUPLING 0CR10-M47201_0054_02 Information FIG 55. STARTING MOTOR 0CR10-M47201_0055_02 Information FIG 56. GENERATOR 0CR10-M47201_0056_02 Information FIG 57. INSTRUMENT PANEL-B(OPTIONAL) 0CR10-M47201_0057_02 Information FIG 58. INSTRUMENT PANEL-C(OPTIONAL) 0CR10-M47201_0058_02 Information FIG 59. INSTRUMENT PANEL(D-TYPE)(OPTIONAL) 0CR10-M47201_0059_02 Information FIG 6. LUB. OIL SUMP 0CR10-M47201_0006_02 Information FIG 60. WIRE HARNESS & SENSOR 0CR10-M47201_0060_02 Information FIG 61. SENSOR MOUNT 0CR10-M47201_0061_02 Information FIG 62. TOOL(OPTIONAL) 0CR10-M47201_0062_02 Information FIG 63. SPARE PART(OPTIONAL) 0CR10-M47201_0063_02 Information FIG 7. LABEL 0CR10-M47201_0007_02 Information FIG 8. BREATHER 0CR10-M47201_0008_02 Information FIG 9. TURBINE 0CR10-M47201_0009_02 Information