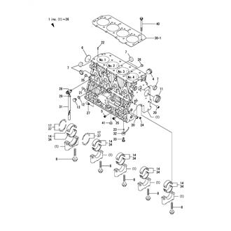
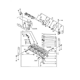
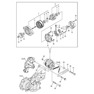
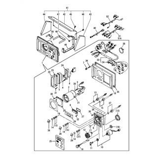
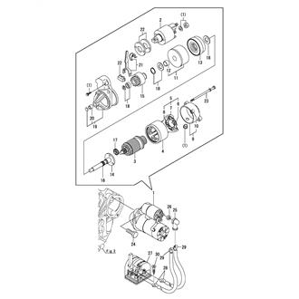
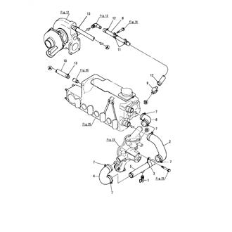
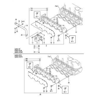
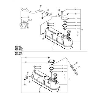
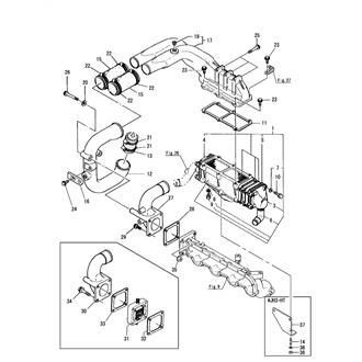
4JH3-HTZAY Large Grid View Table View FIG 1. CYLINDER BLOCK 0CF10-M56401_0001_04 Information FIG 10. CAMSHAFT & DRIVING GEAR 0CF10-M56401_0010_04 Information FIG 11. BALANCER 0CF10-M56401_0011_04 Information FIG 12. TURBINE 0CF10-M56401_0012_04 Information FIG 13. EXHAUST BEND 0CF10-M56401_0013_04 Information FIG 14. AIR COOLER 0CF10-M56401_0014_04 Information FIG 15. CRANKSHAFT & FLYWHEEL 0CF10-M56401_0015_04 Information FIG 16. PISTON & CONNECTING ROD 0CF10-M56401_0016_04 Information FIG 17. LUB. OIL COOLER 0CF10-M56401_0017_04 Information FIG 18. LUB. OIL SYSTEM 0CF10-M56401_0018_04 Information FIG 19. LUB. OIL PIPE 0CF10-M56401_0019_04 Information FIG 2. GEAR HOUSING 0CF10-M56401_0002_04 Information FIG 20. BILGE PUMP(STD)(OPTIONAL) 0CF10-M56401_0020_04 Information FIG 21. BILGE PUMP(DX)(OPTIONAL) 0CF10-M56401_0021_04 Information FIG 22. COOLING SEA WATER PUMP 0CF10-M56401_0022_04 Information FIG 23. COOLING PUMP(FRESH WATER) 0CF10-M56401_0023_04 Information FIG 25. COOLING FRESH WATER COOLER(4JH3-HTZ1/HTZA/HTZY1/HTZAY) 0CF10-M56401_0025_04 Information FIG 26. COOLING PIPE(SEA WATER) 0CF10-M56401_0026_04 Information FIG 28. COOLING FRESH WATER PIPE(4JH3-HTZ1/HTZA/HTZY1/HTZAY) 0CF10-M56401_0028_04 Information FIG 29. COOLING SEA WATER STRAINER(OPTIONAL) 0CF10-M56401_0029_04 Information FIG 3. FLYWHEEL HOUSING 0CF10-M56401_0003_04 Information FIG 30. FUEL INJECTION PUMP 0CF10-M56401_0030_04 Information FIG 31. FUEL INJECTION VALVE & FUEL INJECTION PIPE 0CF10-M56401_0031_04 Information FIG 32. FUEL PIPE & FUEL FILTER 0CF10-M56401_0032_04 Information FIG 33. ENGINE STOP DEVICE 0CF10-M56401_0033_04 Information FIG 34. CLUTCH 0CF10-M56401_0034_04 Information FIG 35. STARTING MOTOR(12V)(UP TO E01559) 0CF10-M56401_0035_04 Information FIG 36. STARTING MOTOR(24V)(OPTIONAL) 0CF10-M56401_0036_04 Information FIG 37. GENERATOR(12V-35A)(HITACHI)(UP TO JUN., 2012) 0CF10-M56401_0037_04 Information FIG 38. GENERATOR(24V-25A)(HITACHI) 0CF10-M56401_0038_04 Information FIG 39. WIRE HARNESS & SENSOR 0CF10-M56401_0039_04 Information FIG 4. ENGINE BRACKET 0CF10-M56401_0004_04 Information FIG 41. INSTRUMENT PANEL(B-TYPE)(12V)(4JH3-HTZA/HTZAY) 0CF10-M56401_0041_04 Information FIG 43. INSTRUMENT PANEL(C-TYPE)(12V)(4JH3-HTZ1/HTZA/HTZY1/HTZAY) 0CF10-M56401_0043_04 Information FIG 44. INSTRUMENT PANEL(C-TYPE)(24V)(OPTIONAL) 0CF10-M56401_0044_04 Information FIG 45. TOOL 0CF10-M56401_0045_04 Information FIG 47. (37A)GENERATOR(12V-55A)(DENSO)(FROM JUL., 2012) 0CF10-M56401_0047_04 Information FIG 48. (38A)GENERATOR(INNER PARTS)(24V-25A)(HITACHI) 0CF10-M56401_0048_04 Information FIG 49. (21A)BILGE PUMP(DX)(OPTIONAL) 0CF10-M56401_0049_04 Information FIG 5. LUB. OIL SUMP(4JH3-HT/HTZA/HTZAY) 0CF10-M56401_0005_04 Information FIG 50. (35A)STARTING MOTOR(12V)(FROM E01560) 0CF10-M56401_0050_04 Information FIG 53. (38B)GENERATOR(INNER PARTS)(24V)(BOSCH) 0CF10-M56401_0053_04 Information FIG 6. LABEL 0CF10-M56401_0006_04 Information FIG 7. CYLINDER HEAD 0CF10-M56401_0007_04 Information FIG 8. BONNET & BREATHER 0CF10-M56401_0008_04 Information FIG 9. SUCTION MANIFOLD 0CF10-M56401_0009_04 Information