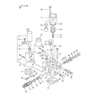
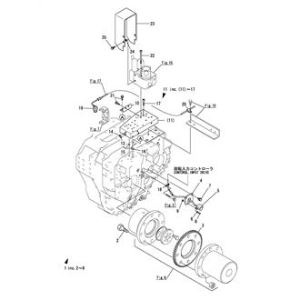
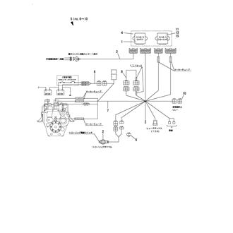
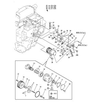
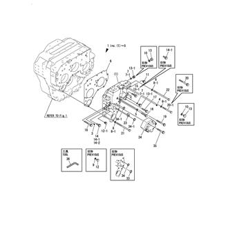
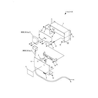
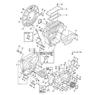
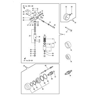
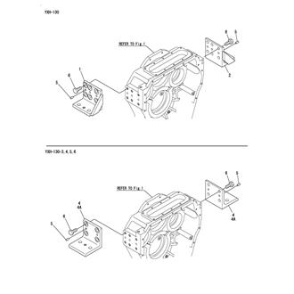
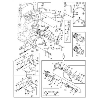
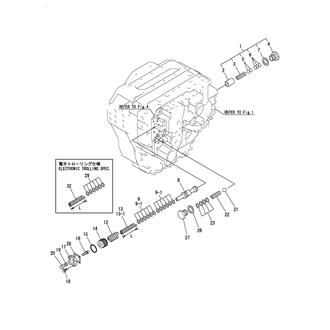
YXH-130 Large Grid View Table View FIG 1. CLUTCH HOUSING 0CF10-M59603_0001_00 Information FIG 10. LUB. OIL STRAINER & LUB. OIL TEMP SWITCH 0CF10-M59603_0010_00 Information FIG 11. PRESSURE REGULATING VALVE(LUB. OIL) & PRESSURE REGULATING VALVE(HYD. OIL) 0CF10-M59603_0011_00 Information FIG 12. TROLLING VALVE(EB-TYPE) 0CF10-M59603_0012_00 Information FIG 13. GOVERNOR VALVE(EB-TYPE) 0CF10-M59603_0013_00 Information FIG 14. TRAILING PUMP(OPTIONAL) 0CF10-M59603_0014_00 Information FIG 15. TROLLING VALVE(ELECTRONIC TROLLING/OPTIONAL) 0CF10-M59603_0015_00 Information FIG 16. ELECTRONIC TROLLING(OPTIONAL) 0CF10-M59603_0016_00 Information FIG 17. WIRE HARNESS(ELECTRONIC TROLLING/OPTIONAL) 0CF10-M59603_0017_00 Information FIG 18. CONTROL BOX(ELECTRONIC TROLLING/OPTIONAL) 0CF10-M59603_0018_00 Information FIG 2. MOUNTING FOOT 0CF10-M59603_0002_00 Information FIG 20. HYDRAULIC PUMP(F1) & PRESSURE GAUGE(F3)(OPTIONAL) 0CF10-M59603_0020_00 Information FIG 21. LABEL 0CF10-M59603_0021_00 Information FIG 3. CASE PLATE & HYDRAULIC PUMP 0CF10-M59603_0003_00 Information FIG 4. INPUT SHAFT & COUPLING 0CF10-M59603_0004_00 Information FIG 5. SUPPORT SHAFT(1ST) 0CF10-M59603_0005_00 Information FIG 6. OUTPUT SHAFT & COUPLING 0CF10-M59603_0006_00 Information FIG 7. SWITCH VALVE 0CF10-M59603_0007_00 Information FIG 8. LUB. OIL COOLER(YXH-130) 0CF10-M59603_0008_00 Information