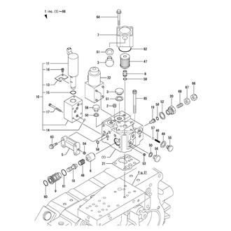
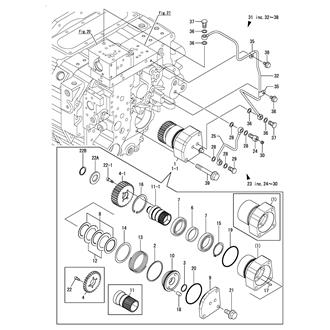
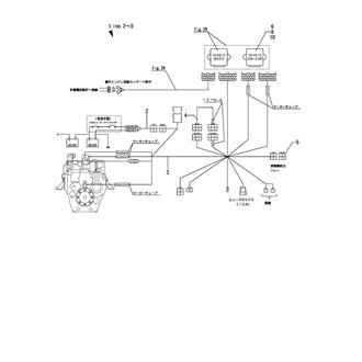
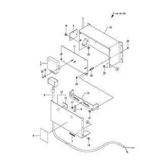
YXH2-130-7 Large Grid View Table View FIG 1. CLUTCH HOUSING(YXH2-130-7/7S/8) 0CF10-M64400_0001_00 Information FIG 10. INPUT SHAFT(YXH2-130-7/8/9) 0CF10-M64400_0010_00 Information FIG 12. SUPPORT SHAFT(1ST)(YXH2-130-7/8/9) 0CF10-M64400_0012_00 Information FIG 14. SUPPORT SHAFT(2ND)(YXH2-130-7/8/9) 0CF10-M64400_0014_00 Information FIG 16. OUTPUT SHAFT & COUPLING 0CF10-M64400_0016_00 Information FIG 17. BRAKE 0CF10-M64400_0017_00 Information FIG 18. BRAKE(ELECTRONIC TROLLING SPEC) 0CF10-M64400_0018_00 Information FIG 19. F/R CHANGEOVER VALVE 0CF10-M64400_0019_00 Information FIG 20. F/R CHANGEOVER VALVE(ELECTRONIC TROLLING SPEC) 0CF10-M64400_0020_00 Information FIG 21. LUB. OIL COOLER 0CF10-M64400_0021_00 Information FIG 22. LUB. OIL STRAINER 0CF10-M64400_0022_00 Information FIG 23. LUB. OIL & HYDRAULIC REGULATING VALVE 0CF10-M64400_0023_00 Information FIG 24. REDUCTION GEAR RATIO CHANGEOVER VALVE 0CF10-M64400_0024_00 Information FIG 26. ELECTRONIC TROLLING(TROLLING VALVE) 0CF10-M64400_0026_00 Information FIG 27. ELECTRONIC TROLLING(ROTATION PICKUP DEVICE & SUB-PLATE) 0CF10-M64400_0027_00 Information FIG 28. ELECTRONIC TROLLING(WIRE HARNESS) 0CF10-M64400_0028_00 Information FIG 29. ELECTRONIC TROLLING(CONTROLLER BOX) 0CF10-M64400_0029_00 Information FIG 30. HYDRAULIC PUMP(F1) & PRESSURE GAUGE(F3)(OPTIONAL) 0CF10-M64400_0030_00 Information FIG 4. MOUNTING FLANGE 0CF10-M64400_0004_00 Information FIG 5. MOUNTING FOOT 0CF10-M64400_0005_00 Information FIG 6. DIPSTICK 0CF10-M64400_0006_00 Information FIG 7. LABEL & TOOL 0CF10-M64400_0007_00 Information FIG 8. CASE PLATE & HYDRAULIC PUMP 0CF10-M64400_0008_00 Information FIG 9. FLEXIBLE COUPLING 0CF10-M64400_0009_00 Information