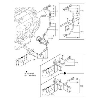
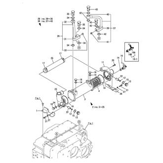
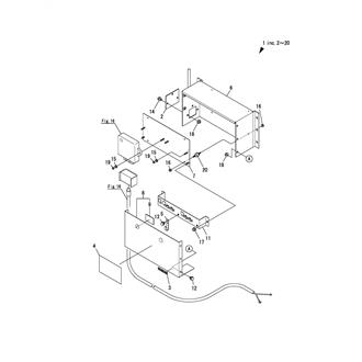
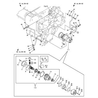
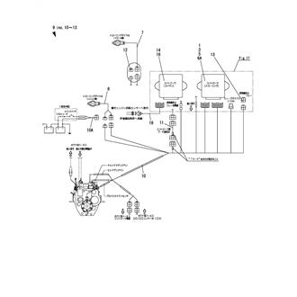
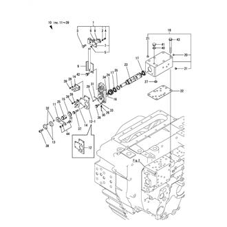
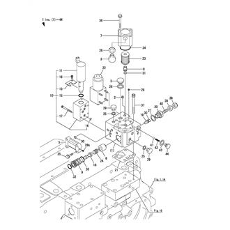
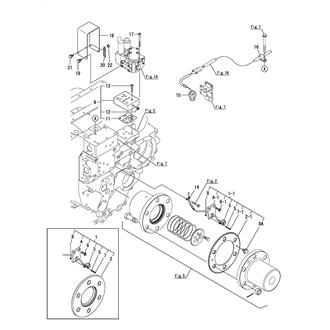
YXH-160-1S Large Grid View Table View FIG 1. CLUTCH HOUSING(YXH-160/-1S/-2/-2S/-5) 0CG10-M31803_0001_01 Information FIG 10. LUB. OIL FILTER 0CG10-M31803_0010_01 Information FIG 11. LUB. OIL & HYD. OIL PRESSURE REGULATING VALVE 0CG10-M31803_0011_01 Information FIG 12. BX TROLLING(TROLLING VALVE) 0CG10-M31803_0012_01 Information FIG 13. BX TROLLING(GOVERNOR VALVE)(WITHOUT TRAILING PUMP SPEC.) 0CG10-M31803_0013_01 Information FIG 14. ELECTRONIC TROLLING(TROLLING VALVE) 0CG10-M31803_0014_01 Information FIG 15. ELECTRONIC TROLLING(ROTATION PICKUP DEVICE & SUB PLATE) 0CG10-M31803_0015_01 Information FIG 16. ELECTRONIC TROLLING(WIRE HARNESS) 0CG10-M31803_0016_01 Information FIG 17. ELECTRONIC TROLLING(CONTROLLER BOX) 0CG10-M31803_0017_01 Information FIG 18. HYDRAULIC PUMP & PRESSURE GAUGE(OPTIONAL) 0CG10-M31803_0018_01 Information FIG 19. LABEL 0CG10-M31803_0019_01 Information FIG 2. CASE PLATE & HYD. OIL PUMP 0CG10-M31803_0002_01 Information FIG 20. SILENCER VALVE(OPTIONAL) 0CG10-M31803_0020_01 Information FIG 21. (13A)BX TROLLING(GOVERNOR VALVE)(TRAILING PUMP SPEC.) 0CG10-M31803_0021_01 Information FIG 22. (13B)BX TROLLING(PIPING)(TRAILING PUMP SPEC.) 0CG10-M31803_0022_01 Information FIG 25. (3B)FLEXIBLE COUPLING 0CG10-M31803_0025_01 Information FIG 29. SPECIAL TOOL(OPTIONAL) 0CG10-M31803_0029_01 Information FIG 3. INPUT SHAFT(YXH-160/-1S/-2/-2S/-5) 0CG10-M31803_0003_01 Information FIG 30. ELECTRONIC TROLLING(ADD-ON KIT) 0CG10-M31803_0030_01 Information FIG 4. SUPPORT SHAFT 0CG10-M31803_0004_01 Information FIG 5. OUTPUT SHAFT & COUPLING 0CG10-M31803_0005_01 Information FIG 6. FORWARD/REVERSE CHANGEOVER VALVE(BX TROLLING SPEC.) 0CG10-M31803_0006_01 Information FIG 7. FORWARD/REVERSE CHANGEOVER VALVE(ELECTRONIC TROLLING SPEC.) 0CG10-M31803_0007_01 Information FIG 9. LUB. OIL COOLER(YXH-160-1S) 0CG10-M31803_0009_01 Information