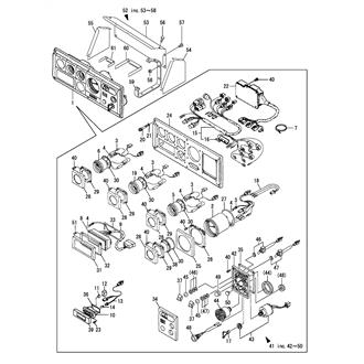
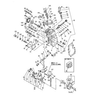
6LY-WUT Large Grid View Table View FIG 1. CYLINDER BLOCK 0CF10-M63400_0001_02 Information FIG 11. TURBOCHARGER & MIXING ELBOW(6LY-WUT,WUTZY) 0CF10-M63400_0011_02 Information FIG 12. TURBOCHARGER COMPONENT PARTS(6LY-WUT,WUTZY) 0CF10-M63400_0012_02 Information FIG 13. AIR COOLER 0CF10-M63400_0013_02 Information FIG 14. CAMSHAFT & CRANKSHAFT 0CF10-M63400_0014_02 Information FIG 15. PISTON & CONNECTING ROD 0CF10-M63400_0015_02 Information FIG 16. LUB.OIL COOLER & LUB.OIL STRAINER 0CF10-M63400_0016_02 Information FIG 17. LUB.OIL PIPE 0CF10-M63400_0017_02 Information FIG 18. LUB.OIL PIPE(TURBOCHARGER) 0CF10-M63400_0018_02 Information FIG 19. OIL SUCTION/DRAIN PUMP 0CF10-M63400_0019_02 Information FIG 2. GEAR HOUSING 0CF10-M63400_0002_02 Information FIG 20. COOLING FRESH WATER PUMP & THERMOSTAT 0CF10-M63400_0020_02 Information FIG 21. COOLING SEA WATER PUMP 0CF10-M63400_0021_02 Information FIG 22. COOLING FRESH WATER COOLER 0CF10-M63400_0022_02 Information FIG 23. COOLING FRESH WATER PIPE 0CF10-M63400_0023_02 Information FIG 24. COOLING WATER PIPE(TURBOCHARGER) 0CF10-M63400_0024_02 Information FIG 25. BILGE PUMP(OPTIONAL) 0CF10-M63400_0025_02 Information FIG 27. FUEL INJECTION PUMP(6LY-WUT,WU 0CF10-M63400_0027_02 Information FIG 29. GOVERNOR(6LY-WUT,WUTZY) 0CF10-M63400_0029_02 Information FIG 3. FLYWHEEL HOUSING & MOUNTING FO0T 0CF10-M63400_0003_02 Information FIG 30. FUEL FEED PUMP 0CF10-M63400_0030_02 Information FIG 31. TIMER 0CF10-M63400_0031_02 Information FIG 32. FUEL INJECTION VALVE 0CF10-M63400_0032_02 Information FIG 33. FUEL INJECTION PIPE 0CF10-M63400_0033_02 Information FIG 34. FUEL PIPE 0CF10-M63400_0034_02 Information FIG 35. ENGINE STOP DEVICE 0CF10-M63400_0035_02 Information FIG 36. STARTING MOTOR 0CF10-M63400_0036_02 Information FIG 37. STARTING MOTOR(OPTIONAL) 0CF10-M63400_0037_02 Information FIG 38. GENERATOR(HITACHI:UP TO 2012.6) 0CF10-M63400_0038_02 Information FIG 39. GENERATOR(24V 35A,EARTH FLOAT TYPE)(HITACHI:UP TO 2012.6) 0CF10-M63400_0039_02 Information FIG 4. LUB.OIL SUMP & LUB.OIL PUMP 0CF10-M63400_0004_02 Information FIG 40. WIRE HARNESS & SENSOR 0CF10-M63400_0040_02 Information FIG 41. WIRE HARNESS & SENSOR(EARTH FLOAT TYPE) 0CF10-M63400_0041_02 Information FIG 43. INSTRUMENT PANEL(D-TYPE) 0CF10-M63400_0043_02 Information FIG 44. CLUTCH 0CF10-M63400_0044_02 Information FIG 45. COVER 0CF10-M63400_0045_02 Information FIG 47. ELECTORIC TROLLING CONTROL BOX 0CF10-M63400_0047_02 Information FIG 48. TOOL 0CF10-M63400_0048_02 Information FIG 49. (38A)GENERATOR(BOSCH:FROM 2012.7) 0CF10-M63400_0049_02 Information FIG 5. LABEL 0CF10-M63400_0005_02 Information FIG 50. (39A)GENERATOR(EARTH FLOAT TYPE)(BOSCH:FROM 2012.7) 0CF10-M63400_0050_02 Information FIG 6. BREATHER 0CF10-M63400_0006_02 Information FIG 7. CYLINDER HEAD 0CF10-M63400_0007_02 Information FIG 8. SUCTION MANIFOLD 0CF10-M63400_0008_02 Information