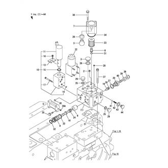
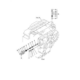
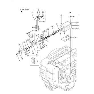
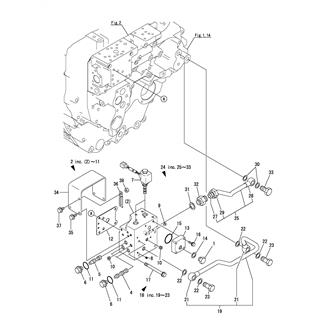
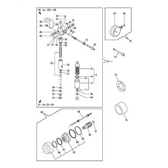
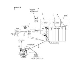
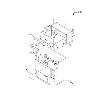
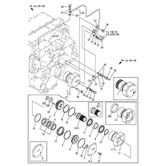
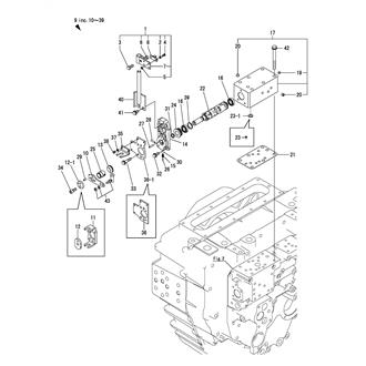
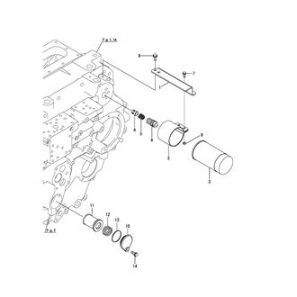
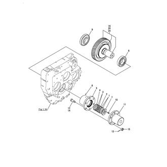
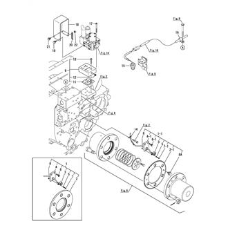
YXH2-160-6 Large Grid View Table View FIG 10. LUB. OIL COOLER 0CG10-M33001_0010_03 Information FIG 11. LUB. OIL FILTER 0CG10-M33001_0011_03 Information FIG 12. LUB. OIL & HYD. OIL PRESSURE REGULATING VALVE 0CG10-M33001_0012_03 Information FIG 13. REDUCTION GEAR RATIO CHANGEOVER VALVE 0CG10-M33001_0013_03 Information FIG 14. ELECTRONIC TROLLING(TROLLING VALVE) 0CG10-M33001_0014_03 Information FIG 15. ELECTRONIC TROLLING(ROTATION PICKUP DEVICE & SUB PLATE) 0CG10-M33001_0015_03 Information FIG 16. ELECTRONIC TROLLING(WIRE HARNESS) 0CG10-M33001_0016_03 Information FIG 17. ELECTRONIC TROLLING(CONTROLLER BOX) 0CG10-M33001_0017_03 Information FIG 18. HYDRAULIC PUMP & PRESSURE GAUGE(OPTIONAL) 0CG10-M33001_0018_03 Information FIG 19. LABEL 0CG10-M33001_0019_03 Information FIG 2. CASE PLATE & HYD. OIL PUMP 0CG10-M33001_0002_03 Information FIG 21. SPECIAL TOOL(OPTIONAL) 0CG10-M33001_0021_03 Information FIG 22. (1A)CLUTCH HOUSING(YXH2-160-6) 0CG10-M33001_0022_03 Information FIG 23. (3A)INPUT SHAFT & FLEXIBLE COUPLING(YXH2-160-6) 0CG10-M33001_0023_03 Information FIG 4. SUPPORT SHAFT(1ST) 0CG10-M33001_0004_03 Information FIG 5. SUPPORT SHAFT(2ND) 0CG10-M33001_0005_03 Information FIG 6. OUTPUT SHAFT & COUPLING 0CG10-M33001_0006_03 Information FIG 7. BRAKE 0CG10-M33001_0007_03 Information FIG 8. FORWARD/REVERSE CHANGEOVER VALVE 0CG10-M33001_0008_03 Information FIG 9. FORWARD/REVERSE CHANGEOVER VALVE(ELECTRONIC TROLLING SPEC.) 0CG10-M33001_0009_03 Information